
Autor: Magirescu Iulian
Contact: constructiielectronice@gmail.com
Plierea oglinzilor laterale, din telecomanda, la autoturismele dotate cu plierea automata a acestora, este posibila folosind acest circuit. Instalat corespunzator, circuitul actioneaza sistemul de pliere al oglinzilor, la a doua apasare a butonului de blocare usi, de la telecomanda. Deplierea oglinzilor se face daca se apasa oricand butonul de deblocare usi, de la telecomanda. Cand motorul autoturismului este pornit circuitul nu raspunde la comenzi. Circuitul actioneaza sistemul de pliere printr-un contact N.C. Acest circuit poate fi instalat doar la autoturismele a caror sistem de pliere este actionat prin inchiderea si deschiderea unui contact, respectiv se plieaza oglinzile cand se inchide un contact si se deplieaza oglinzile atunci cand se deschide un contact. Circuitul a fost testat cu succes pe un Renault Laguna 2.
Date tehnice
Tensiunea de alimentare: 12V
Consum: 25 mA (cu oglinzile depliate) si 5 mA (cu oglinzile pliate)
Protectie la inversarea tensiunii de alimentare
Intrarile circuitului sunt separate galvanic
Stare contact releu de comanda: N.C. - oglinzile se pliaza, N.O. - oglinzile se deplieaza
Circuitul realizeaza: 1) deplierea oglinzilor = oricand se apasa butonul de deblocare usi; oricand circuitul primeste +12V de la cheie;
2) plierea oglinzilor = la adoua apasare a butonului de blocare usi
Comanda circuitului se face cu tensiunea aplicata actuatorului principal al inchiderii centralizate
Dimensiune PCB: 7,8 x 4 cm
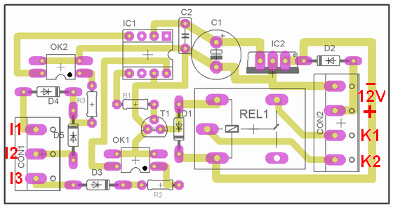
Microcontrolerul PIC 10F202, pe 8 biti, cu memorie program de tip Flash si consum foarte redus, este componenta de baza a circuitului "Plierea oglinzilor din telecomanda". Pinul 4 si 8 al acestuia este configurat ca intrare, iar pinul 5 este setat ca iesire. Intrarile sunt "trase" la plusul alimentarii din program, fiind separate galvanic de cele doua optocuploare OK1 si OK2. Programul scris în memoria Pic-ului verifica starea intrariilor I1, I2 si I3 (conector CON1) si, folosind un algoritm propriu, comanda releul REL 1. Circuitul 7805 stabilizeaza tensiunea de alimentare la 5V, necesara alimentarii microcontrolerului. Releul este alimentat la 12V, fiind controlat de tranzistorul pnp, T1. Condensatorul electrolitic C1 (10 uF) si C2 (100 nF) decupleaza alimentarea; D1 (1N4148) protejeaza tranzistorul T1 de tensiunea inversa de autoinductie generata de bobina releului; D3, D4 si D5 (1N4148) protejeaza optocuploarele de tensiunea inversa de intrare; D2 protejeaza circuitul la inversarea polaritatii tensiunii de alimentare.
Schema electrica
Componente
R1 = rezistor 10 K
R2, R3 = rezistor 1,5 K
C1 = condensator 10 uF
C2 = condensator 100 nF
D1, D2, D3, D4, D5 = dioda 1N4148
OK1, OK2 = optocuplor LTV 816
IC2 = stabilizator 7805
IC1 = PIC 10F202
T1 = tranzistor 2N3904
REL 1 = releu 12V
CON1 = terminal bloc 3 cai
CON2 = 2 x terminal bloc 2 cai
PCB: 7,8 x 4 cm - Download
Program microcontroler - Download
Cablajul imprimant si dispunerea componentelor (traseele sunt vazute prin transparenta)
I1
I2 - la actuatorul principal al inchiderii centralizate (usa soferului), la firul care are +12V cand se deblocheaza usile
I3 - la actuatorul principal al inchiderii centralizate (usa soferului), la firul care are +12V cand se blocheaza usile
K1, K2 - la blocul de comanda al oglinzilor
Copyright © www.constructii-electronice.ro (since 2008)| All Rights Reserved