
Autor: Administrator
Contact: constructiielectronice@gmail.com
Circuitul este destinat autoturismelor care folosesc becuri cu halogen comandate cu tensiune pozitiva, pentru comanda fazei lungi a farurilor, circuit care are trei functii de baza:
DRL (Daytime Running Lights) - dupa aproximativ 10 sec. de la pornirea motorului, daca tensiunea bateriei este mai mare sau egala cu 13,5 V (+/- 0,1 V), circuitul aprinde farurile autoturismului (faza lunga) la o intensitate redusa (valoare reglabila intre 5% si 65%, cu pas de 5%, valoare ce poate fi setata si memorata). Controlul celor doua becuri se face independent, fiecare bec avand cate un element de comanda separat. Circuitul stinge farurile autoturismului (faza lunga) sau nu aprinde farurile autoturismului (faza lunga) daca se ia contactul, se aprind luminile de pozitie, se trage frana de mana sau tensiunea bateriei este sub 13,15 V (+/- 0,1 V).
Coming Home/Leaving Home - circuitul aprinde farurile autoturismului (faza lunga) la o intensitate redusa (valoare reglabila intre 5% si 65%, cu pas de 5%), doar seara, atunci cand din telecomanda, se incuie/descuie usile. Timpul cat farurile (faza lunga) raman aprinse poate fi reglat intre 10 sec. si 100 sec., cu pas de 10 sec. Aceasta functie este anulata daca se pune contactul, se aprind luminile de pozitie sau tensiunea bateriei este sub 11,15 V (+/- 0,1 V). Aceasta functie se poate dezactiva din meniu.
Autoflash - cand motorul este pornit si functia DRL este activa, daca se apasa scurt butonul cu LED, circuitul aprinde intermitent, cu o perioada de 300 ms si intensitate de 100%, cele doua faruri (faza lunga). Functia este anulata daca se apasa scurt butonul cu LED, se ia contactul, se aprind luminile de pozitie, se trage frana de mana sau tensiunea bateriei este sub 13,15 V (+/- 0,1 V).
Aceste functii sunt active doar daca modulul este pornit. Pornirea/oprirea modulului se face actionand scurt butonul cu LED. Cand modulul este pornit, LED-ul butonulului clipeste rar.
Date tehnice
Tensiunea de alimentare: 12 V DC
Consum: 5 mA (in repaus)
Comanda individuala, cu tensiune pozitiva, a doua becuri (halogen) de 55-60 W
Intrarile circuitului sunt separate galvanic (exceptie face intrarea pentru fotorezistenta)
Frecventa PWM : 120 Hz
Tensiuni de prag : 11,15 V (+/- 0,1 V), 13,15 V (+/- 0,1 V) si 13,50 V (+/- 0,1 V)
Reglajul intensitatii luminoase : de la 5% la 65%, cu pas de 5%
Timpul cat sunt aprinse becurile (Coming Home/Leaving Home) : de la 10 sec. la 100sec., cu pas de 10 sec.
Nivel reglabil pentru sensibilitatea la lumina
Dimensiune radiator: 14 x 4 cm
Dimensiune PCB: 8 x 10 cm
Lipirea componentelor pe cablajul imprimant se va face tinand cont de schema electrica, dispunerea componentelor si instructiunile de asamblare si lipire. Dupa operatia de lipire se introduce microcontrolerul IC1 in soclu, apoi se instaleaza circuitul in autoturism.
Atentie! Introducerea gresita in soclu al lui IC1 duce la distrugerea ireversibila a acestuia.
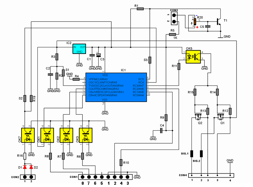
Schema electrica
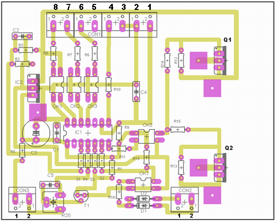
Cablajul imprimant si dispunerea componentelor (traseele sunt vazute prin transparenta)
Componente
R12, R9, R13, R19, R1 = rezistor 10 K
R8, R7, R6, R10, R16 = rezistor 1,5 K
R14, R15, R11 = rezistor 220 ohmi
R5, R4 = rezistor 1 K
R2 = rezistor 10 K (1%)
R3 = rezistor 30 K (1%)
S1, S2, S3 = strap
R20 = semireglabil 100 K
C3 = condensator 100 uF
C2 = condensator 10 uF
C1, C4, C5 = condensator 100 nF
D1, D2 = dioda 1N4148
T1 = tranzistor NPN 2N3904
Q1, Q2 = tranzistor MOSFET IRF 9540
OK1, OK2, OK3, OK7, OK5 = optocuplor LTV 817
IC1 = PIC 16F676
IC2 = 7805
CON1 = terminal bloc 8 cai
CON2 = terminal bloc 2 cai
CON3 = terminal bloc 2 cai
CON4 = sir de cleme
Buton cu LED
Fotorezistor (se conecteaza prin doua fire la conectorul CON3)
2 x siguranta 5A
PCB: 8 x 10 cm - Download
Program microcontroler - Download
ATENTIE! Inversarea polaritatii tensiunii de alimentare a circuitului, duce la distrugerea acestuia. Alimentati circuitul respectand polaritatea corecta a tensiunii de alimentare. Daca circuitul nu functioneaza corespunzator, scoateti cele doua sigurante de 5A, pentru a nu afecta functionarea normala a becurilor.
Conectarea circuitului cu instalatia electrica a autoturismului se face prin cei patru conectori ai circuitului, CON1, CON2, CON3 si CON4, iar circuitul nu afecteaza buna functionarea a instalatieie electrice a autoturismului.
CON1
1 - buton (de la butonul cu led, firul verde)
2 - buton (de la butonul cu led, firul galben)
3 - Led - (la butonul cu led, firul alb)
4 - Led + (la butonul cu led, firul rosu)
5 - liber
6 - +12V contact (de la cheia de contact, cand cheia este in contact)
7 - +12V pozitie (de la becul de pozitie, atunci cand este aprins )
8 - minus de la frana de mana (de la frana de mana, atunci cand este actionata)
CON2
1 - +12V descuiere usi (la firul 1 de la actuatorul aflat la usa soferului)
2 - +12V incuiere usi (la firul 2 de la actuatorul aflat la usa soferului)
CON3
1,2 - se conecteaza cele doua fire ale senzoruui de lumina (fotorezistenta)
CON4
1 - bec 1, faza lunga (se conecteaza paralel pe firul care duce direct la becul de faza lunga-stanga)
2 - bec 2, faza lunga (se conecteaza paralel pe firul care duce direct la becul de faza lunga-dreapta)
3 - +12V/10A (firul de legatura trebuie sa suporte 10A)
4 - masa
Daca autoturismul nu are comanda independenta pentru fiecare bec, atunci 1 si 2 de la CON4 se conecteaza impreuna, iar firul care duce la faruri se conecteaza impreuna cu 1 si 2.
Dupa ce s-a instalat circuitul, singurul reglaj necesar este reglajul pentru sensibilitatea la lumina, reglaj care se face in felul urmator:
Reglaj brut:
- se roteste semireglabilul R20 în pozitia de mijloc.
Reglaj de precizie (acest reglaj se face cand se intuneca, cand intensitatea luminii ambiante este cea pentru care dorim sa aprinda modulul farurile):
- se deconecteaza actuatorul de la modul, se roteste semireglabilul R20 în pozitia "+" si se pune un strap intre +12V si una din intrarile unde se conecteaza actuatorul, apoi se roteste usor semireglabilul pana cand se aprind farurile. Dupa reglaj se elimina strapul si se conecteaza modulul respectand indicatiile de instalare.
Valoarea in procente pentru intensitatea luminii si timpul cat raman aprinse farurile pentru functia Coming Home/Leaving Home, sunt predefinite in programul microcontrolerului, la urmatoarele valori: 35% si 20 sec. Pentru a seta alte valori se va proceda in felul urmator:
-se sting pozitiile, se pune frana de mana in repaus, apoi se porneste motorul. Se apasa scurt butonul cu LED, pentru a intra in setarile circuitului. Imediat ce s-a apasat butonul, circuitul intra in setarea intensitatii luminii pentru functia DRL, mod in care farurile se aprind la intensitatea minima (5%), iar LED-ul lumineaza permanent. Valorile pentru intensitatea luminii pot fi setate intre 5% si 65%, cu pas de 5%.
-Se apasa scurt butonul, de mai multe ori, pana cand intensitatea luminii farurilor este cea dorita. La fiecare actionare a butonului cu LED, intensitatea luminii creste cu 5%, fiind necesari 12 pasi (apasari de buton). De xemplu, pentru o intensitate de 15%, sunt necesare doua apasari. Cand intensitatea ajunge la 65% (intensitate maxima prin DRL), intensitatea luminii revine la 5%, iar ciclul se reia. Pentru a memora valoare dorita a intensitatii luminii se apasa lung butonul cu LED, pana cand farurile se sting.
-mai departe, circuitul memoreaza valoarea pentru intensitatea luminii, apoi intra in setarea timpului pentru functia Coming Home/Leaving Home, mod care este semnalizat prin aprinderea farurilor si a LED-ului, la intensitate 100%. Daca timpul setat a fost 10 sec., farurile si LED-ul se aprind o data, daca timpul setat a fost de 20 sec., farurile si LED-ul se vor aprinde de 2x, daca timpul setat a fost de 30 sec., farurile si LED-ul se vor aprinde de 3x, etc. Valoarea pentru timp poate fi setata intre 10 sec. si 100sec., cu pas de 10 sec. Pentru a seta o noua valoare pentru timp, se apasa butonul de N ori (N = (multiplu de 10 al timpului dorit / 10) minus nr. de aprinderi faruri realizate la intrarea in setari), dupa care circuitul confirma valoarea timpului introdus, prin aprinderea farurilor si LED-ului de un numar de ori egal cu multiplu de 10 al timpului dorit / 10. De exemplu, daca atunci cand s-a intrat in setari timp, circuitul a aprins de 3x farurile si LED-ul, si am dorit sa setam un timp de 60 sec., apasam butonul de 3x, iar circuitul va confirma prin aprinderea farurilor si LED-ului de 6x. Pentru memorarea acestei setari, se tine apasat butonul pana cand farurile se aprind (intensitate 100%). Circuitul memoreaza setarea si iese din setari, apoi devine activa functia DRL si circuitul aprinde farurile la intensitatea setata. Oricand se doreste a se iesi din setari, se va scoate cheia din contact. Tot aici, pentru a dezactiva functia Coming Home/Leaving Home, sunt necesare X apasari de buton (X = 11 minus nr. de aprinderi faruri realizate la intrarea in setari). Pentru a activa functia Coming Home/Leaving Home, se seteaza un timp cuprins intre 10 sec. si 100 sec.
LED-ul aflat in butonul cu revenire semnalizeaza urmatoarele stari ale circuitului:
Modul OFF - LED stins permanent
Modul ON - LED-ul lumineaza intermitent
Tensiune sub valoarea de prag - LED-ul se aprinde ciclic de 3x scurt
Frana de mana trasa - LED-ul se aprinde scurt la interval de aproximativ 5 sec.
Pozitii aprinse - LED-ul se aprinde scurt la interval de aproximativ 30 sec.
Setari intensitate luminoasa - LED aprins permanent
Copyright © www.constructii-electronice.ro (since 2008)| All Rights Reserved