
Descriere
Circuitul porneste automat PC Desktop-ul, atunci când tensiunea retelei electrice de 220V AC, revine dupa o pana de curent. Pornirea PC-ului de catre circuit se face dupa ce a trecut 1 minut de la revenirea tensiunii de 220V, prin suntarea, timp de 2 secunde, a butonului „Power switch” al Pc-ului.
Date tehnice
Tensiunea de alimentare: 220V AC
Separare galvanica a circutului de butonul „Power switch” al Pc-ului
Întârzierea la actionarea butonului „Power switch” al Pc-ului: 1 minut
Timp de actionare al butonului „Power switch” al Pc-ului: 2 secunde
Dimensiune PCB: 35 x 51 mm
Schema electrica
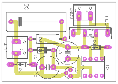
Cablajul imprimant si dispunerea componentelor (traseele sunt vazute prin transparenta)
Componente
IC1 = PIC10F202
IC2 = 78L05
D1, D3 = 1N4148
D2 = DZ 12V
C1 = condensator electrolitic 10 uF
C2 = condensator electrolitic 100 uF
C5 = condensator 470nF/275Vca
C5 = condensator 470nF/275Vca
R3 = rezistor 56 ohmi/1W
Rel1 = releu reed 5V
PCB: 35 x 51 mm - Download
Program microcontroler - Download
Copyright © www.constructii-electronice.ro (since 2008)| All Rights Reserved